銷售熱線:400-099-8859 技術熱線:13971234137
保護裝置:
測試設備:

△ 繼保之星-1600 繼電保護測試儀

△ 比率差動保護的動作特性

1
保護相關設置:
|
|
|
|
|
|
|
|
|
|
|
|
|
|
|
|
|
|
|
|
|
|
|
|
|
|
|
|
|
|
|
|
|
|
|
|
|
|
|
|
|
|
|
|
|
|
|
|
|
|
|
|
|
|
|
|
|
|
|
|
|
|
|
|
|
|
|
|
|
|
|
|
|
|
|
|
|
|
|
|
|
|
|
|
|
|
|
|
|
|
|

2
試驗接線:




3
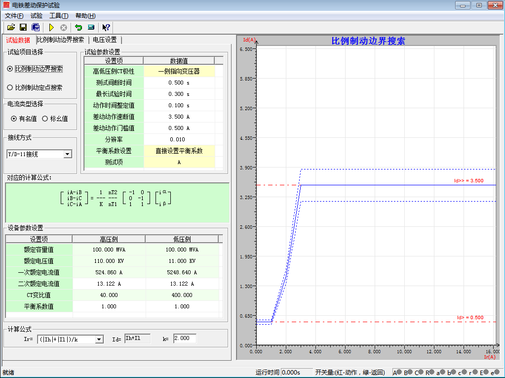
試驗方法:

進入電鐵差動保護曲線搜索 專 用試驗界面。





4
試驗結果:
|
|
|
|
|
|
|
|
|
|
|
|
|
|
|
|
|
|
|
|
|
|
|
|
|
|
|
|
|
|
|
|
|
|
|
|
|
|
|
|
|
|
|
|
|
|
|
|
|
|
|
|
|
|
|
|
|
|
|
|
|
|
|
|
|
|
|
|
|
|
|
|
|
|
|
|
|
|
|
|

Copyright ? 2018 武漢市豪邁電力自動化技術有限責任公司 All rights Reserved.
備案號:鄂ICP備05010718號-1